2000W Water-Cooled Laser Power Measurement Sensors

Product Description:Name:BONAD 2000 W Water-Cooled Laser Power Measurement SensorsType:BND-2000W-D50The BND-2000W-D50 thermopile sensor is a water cooled laser power and energy thermal sensor with a 36 mm aperture. It can measure optical power from 10 to 2000 W . It has the spectrally flat broadband BB coating and covers the spectral range from 266 nm-10.6 um.
Description

Product Description:

Name:BONAD 2000 W Water-Cooled Laser Power Measurement Sensors

Type:BND-2000W-D50

The BND-2000W-D50 thermopile sensor is a water cooled laser power and energy thermal sensor with a 36 mm aperture. It can measure optical power from 10 to 2000 W . It has the spectrally flat broadband BB coating and covers the spectral range from 266 nm-10.6 um.


Features:

1.Measures laser power continuously, up to 2000W.

2.Highly linear, does not require sectional calibration.

3.Excellent absorption capability.

4.Available with 50mm apertures.

5.Water cooling feature.

6.Broadband 266 nm-10.6 umabsorber

7.Water-cooled for 10 to 2000 W average power measurement


Product Specifications:

Model

BND-2000W-D50    

Absorption

90%

Wavelength Range

266nm-10.6um

Power Range

10W-2000W

Scale

Auto

Aperture

50mm

Power Resolution

0.1W

Response Time(0-95%)(a)

<5s

Calibration Uncertainty

<3.5%

Non-linearity

<±1%

Accuracy

±4%

Damage Threshold (b)

1kW/cm2 @2kW

Cooling

Water

Recommended Water Flow Rate

@Full power (c)

5L/min

Dimensions

Ø 131×39.3mm

Cable Length

5m

Connector Type

DB15


Notes:

(a).Time from zero to 95% of stable value;

(b).Recommended laser diameter:>25mm@1.5kW;>20mm@2kW;

(c).Recommended water temperature range:18-30°C; Water temperature change rate:<1℃ /min.


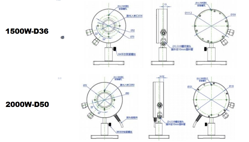
Dimensions of laser power sensor:

1.jpg


RqyiW